一、放大电路模型 #
1、信号放大时电路的一般构成 #
需要供电电源,是双口网络。接地处为电路中电位参考基准点,定义为零电位。
2、放大电路增益形式 #
电压增益(电压放大倍数):
Av=vo/vi
电流增益:
Ai=io/ii
互阻增益:
Ar=vo/ii (Ω)
互导增益:
Ag=io/vi (S)
功率增益:
Ap=Po/Pi
*增益分贝数表示:
电压增益=20lg∣Av∣ dB;电流增益=20lg∣Ai∣ dB;功率增益=10lgAp dB
3、放大电路模型 #
从端口特性来研究放大电路,可将其等效成具有某种端口特性的等效电路。(忽略电抗元件影响)
(1)电压放大模型 #
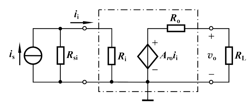
Avo——负载开路时的电压增益Ri——放大电路的输入电阻Ro——放大电路的输出电阻由输出回路得:vo=AvoviRo+RLRL则电压增益为:Av=vivo=AvoRo+RLRL
由此可见,RL↓==>Av↓
要想减小负载的影响,则希望Ro<<RL
理想情况下 Ro=0
在输入回路有 vi=Rsi+RiRivs,
即信号源内阻会导致输入信号衰减,要想减小衰减,则希望Ri>>Rs
理想情况下 Ri=∞
(2)电流放大模型 #
电流增益:Ai=iiio=AisRL+RoRo
(3)互阻放大模型 #
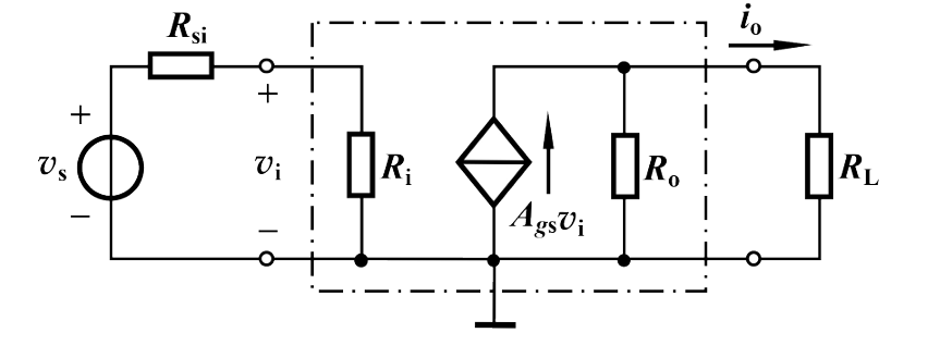
(4)互导放大模型 #
(5)隔离放大模型 #
4、放大电路的主要性能指标 #
1、输入电阻
Ri=iivt或vtvi=Ri+R1RiRi=vt−viR1vi
2、输出电阻
Ro=itvt∣vs=0,RL=∞
*输入、输出电阻为交流电阻
3、增益
反映放大电路在输入信号控制下,将供电电源能量转换为输出信号能量的能力(Av、Ai、Ar、Ag、Ap)
4、频率响应
在输入正弦信号情况下,输出随输入信号频率连续变化的稳态响应,称为放大电路的频率响应。
二、集成电路运算放大器 #
1、电路符号 #
端口意义:vN——反相输入端、vP——同相输入端、vo——输出端
无特定接地端
运算放大器正常工作时,必须提供工作电源,通常正负电源连接方式为
2、运算放大器的传输特性 #
ri——输入电阻Avo(vP−vN)——电压放大能力ro——输出电阻当Avo(vP−vN)≥V+vo≈V+当Avo(vP−vN)≤V−vo≈V−线性范围内vo=Avo(vP−vN)(V−<vo<V+)
3、差模信号和共模信号 #
差模输入信号定义为两输入端信号的差值(vid=vP−vN)
共模输入信号定义为两输入端信号的算术平均值(vic=2vP+vN)
则vP=vic+2vid,vN=vic−2vid



差模电压增益Avd=vidvo′=vP−vNvo′
共模电压增益Avc=vkvo′′
输出电压vo=vo′+vo′′
共模抑制比KCMR=∣AvcAvd∣
理想运放Avc=0,KCMR=∞,Avd=Avc=∞
三、理想运算放大器 #
特性:
1、开环电压增益Avo→∞
2、输入电阻ri=∞
3、输出电阻ro=0
4、开环带宽BW→∞
5、当vP=vN时,vo=0
*虚短:线性范围内,vP−vN≈0
*虚断:iP=−iN≈0 (ri阻值很高)
(虚短虚断重要程度5※)
四、基本线性运放电路 #
1、同相放大电路 #